
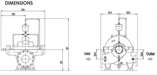
الغطاء عبارة عن تصميم مقسم محوريًا لتسهيل التجميع والتفكيك. يسمح التصميم بفحص واستبدال المكونات الداخلية دون الحاجة إلى إزالته من الأنابيب. الغطاء مصنوع من حديد الدكتايل الناعم الحبيبات المجهزة بأرجل دعم مدمجة.
مغلقة، نوع شفط مزدوج مصبوب في قطعة واحدة. يتم موازنة الدفاعة ديناميكيًا وفقًا لمعيار المنظمة الدولية لتوحيد المقاييس1940ومتوازنة هيدروليكيًا من خلال الشفط المزدوج. يتم تثبيت الدفاعة بشكل إيجابي على العمود بالمفتاح.
تم تجهيز المضخة بحلقات ارتداء أمامية وخلفية من النوع المتجدد للحفاظ على خلوص تشغيل مناسب بين محور الدفع.
صندوق حشو ناعم الملمس يتم توفير خطوط التبريد للتبريد الإضافي لحشوة السدادة.